Mounting Kits
All Categories
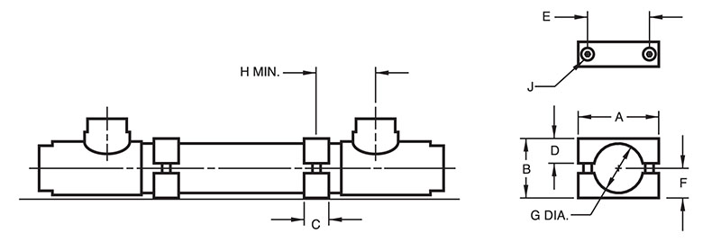
Exergy mounting kits allow for rigid attachment to your support structure. The mounting kit contains two stainless steel mounting clamps and the stainless steel hardware required for tapped or through-hole installation.
Model # |
Heat Exchanger Series |
Maximum Panel Thickness |
Minimum Thread Depth |
Dimension A |
Dimension B |
|---|---|---|---|---|---|
| 01034 01034/Asset/a1073.jpg | Heat Exchanger Series N/A 10 | Maximum Panel Thickness N/A 0.25 in.6.4 mm | Minimum Thread Depth N/A 0.21 in.5.3 mm | Dimension A N/A 1.25 in.31.8 mm | Dimension B N/A 0.85 in.21.6 mm |
| 01021-03 01021-03/Asset/a1073.jpg | Heat Exchanger Series N/A 17 Sanitary | Maximum Panel Thickness N/A 0.25 in.6.4 mm | Minimum Thread Depth N/A 0.31 in.7.9 mm | Dimension A N/A 2.60 in.66.0 mm | Dimension B N/A 1.70 in.43.2 mm |
| 00420-01 00420-01/Asset/a1073.jpg | Heat Exchanger Series N/A 23 | Maximum Panel Thickness N/A 0.25 in.6.4 mm | Minimum Thread Depth N/A 0.31 in.7.9 mm | Dimension A N/A 1.70 in.43.2 mm | Dimension B N/A 1.20 in.30.5 mm |
| 00421-01 00421-01/Asset/a1073.jpg | Heat Exchanger Series N/A 35 | Maximum Panel Thickness N/A 0.31 in.7.9 mm | Minimum Thread Depth N/A 0.38 in.9.5 mm | Dimension A N/A 2.44 in.62.0 mm | Dimension B N/A 1.80 in.45.7 mm |
| 00421-03 00421-03/Asset/a1073.jpg | Heat Exchanger Series N/A 35 Sanitary | Maximum Panel Thickness N/A 0.31 in.7.9 mm | Minimum Thread Depth N/A 0.38 in.9.5 mm | Dimension A N/A 3.56 in.90.4 mm | Dimension B N/A 2.55 in.64.8 mm |
| 00579-01 00579-01/Asset/a1073.jpg | Heat Exchanger Series N/A 54 | Maximum Panel Thickness N/A 0.38 in.9.5 mm | Minimum Thread Depth N/A 0.50 in.12.7 mm | Dimension A N/A 3.50 in.88.9 mm | Dimension B N/A 2.65 in.67.3 mm |
| 01022-03 01022-03/Asset/a1073.jpg | Heat Exchanger Series N/A 60 Sanitary | Maximum Panel Thickness N/A 0.38 in.9.5 mm | Minimum Thread Depth N/A 0.50 in.12.7 mm | Dimension A N/A 5.00 in.127 mm | Dimension B N/A 4.20 in.107 mm |
| 00925-01 00925-01/Asset/a1073.jpg | Heat Exchanger Series N/A 73 | Maximum Panel Thickness N/A 0.38 in.9.5 mm | Minimum Thread Depth N/A 0.50 in.12.7 mm | Dimension A N/A 4.24 in.108 mm | Dimension B N/A 3.40 in.86.4 mm |
| 04379-01 04379-01/Asset/a1073.jpg | Heat Exchanger Series N/A | Maximum Panel Thickness N/A | Minimum Thread Depth N/A | Dimension A N/A | Dimension B N/A |
| 04379-02 04379-02/Asset/a1073.jpg | Heat Exchanger Series N/A | Maximum Panel Thickness N/A | Minimum Thread Depth N/A | Dimension A N/A | Dimension B N/A |
